Simple Function Generator Circuit using XR2206

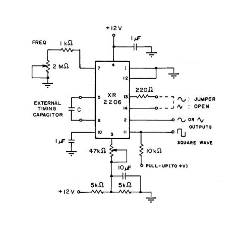
The function generator IC XR2206 from EXAR corporation is pretty popular among hobbyists. Although, it is popular, the company stopped the production of this IC earlier in 2011. Yet, it is available in some local shops and of course on ebay. I have a few here in my home workshop, and I worked with one of them today to develop a small function generator for my personal use. The application circuit from the datasheet worked just fine. 

The timing capacitor and the variable resistor on the left hand side of the circuit determines the frequency of the output waveform. The following equation can be used for the calculation of appropriate values of R and C.

F = 1 / RC

F is the required frequency of the output signal. The variable resistor connected to pin number 3 determines the amplitude of the output signal. The relation between this resistor (R3) and the Vpp can be found in figure-3 on the datasheet. I used volume control type pot meters for these variable resistors so that I can turn it while the circuit is working, and see the output variations on the oscilloscope screen.